BSM224A 전압, 현재, 기능 및 전력 사양
BSM224A는 Siemens가 만든 전원 모듈입니다.모터 드라이브, 인버터 및 UPS 시스템과 같은 기계에서 발견됩니다.이 기사에서는 BSM224A를 사용할 수없는 경우 사...
Jul 04
견해: 2788
EUPEC의
FZ1200R33KF1
(현재 Infineon의 일부)은 고전류 및 고전압을 처리하는 것으로 알려진 신뢰할 수있는 IGBT 모듈입니다.인버터, 모터 드라이브 및 기차와 같은 큰 기계에서 사용됩니다.비록 그것이 더 이상 만들어지지 않더라도, 많은 사람들이 잘 작동하고 오래 지속되기 때문에 여전히 그것을 선택합니다.이 기사에서는 사용 된 기능, 사용되는 기능, 문제 및 수정, 기타 옵션 등을 살펴볼 수 있습니다.
FZ1200R33KF1
EUPEC
IGBT Modules
In Stock: 5400 pcs

그만큼
FZ1200R33KF1
EUPEC (현재 Infineon의 일부)는 강력하고 신뢰할 수있는 IGBT 전원 모듈입니다.최대 1200A의 현재와 3300V를 처리 할 수 있으므로 인버터, 모터 드라이브 및 기차와 같은 중장비에 적합합니다.더 이상 만들어지지 않더라도 많은 사람들이 잘 작동하고 오래 지속되기 때문에 여전히 사용합니다.
FZ1200R33KF1
EUPEC
IGBT Modules
In Stock: 5400 pcs
이 모듈은 시원하고 안전하게 작동하며 문제없이 고전력을 처리하는 것으로 유명합니다.장비를 원활하게 유지하고 고장의 위험을 줄이는 데 도움이됩니다.더 이상 생산되지 않기 때문에 주식은 낮아 지므로 여전히 사용할 수있는 동안 얻는 것이 현명합니다.
FZ1200R33KF1 구매에 관심이 있으시면 가격 및 가용성을 위해 문의하십시오.
• 고전류 용량 : 최대 1200A를 처리 할 수 있으므로 중장비 기계에 적합합니다.
• 고전압 등급 : 최대 3300V를 지원하여 까다로운 환경에서 작동 할 수 있습니다.
• 신뢰할 수있는 성능 : 힘든 조건에서도 안정적으로 머무르며 기계가 안전하게 운행하도록 도와줍니다.
• 저전력 손실 : 열을 줄이고 에너지를 절약하여 효율성을 향상시킵니다.
• 강력하고 내구성있는 디자인 : 지속적으로 구축되어 유지 보수 및 교체 비용을 줄입니다.
• 쉬운 통합 : 많은 산업 및 전력 제어 시스템에 잘 맞습니다.
|
설명 |
상태 |
상징 |
값 |
|
수집기-이미 터 전압 |
티J. = 25 ° C |
다섯CES |
3300 v |
|
DC-Collector Current |
- |
나기음 |
1200 a |
|
반복 피크 수집기 전류 |
TP = 1ms |
나CRM |
2400 a |
|
총 전력 소산 |
TC = 25 ° C, 트랜지스터 / 트랜지스터 |
피더하다 |
13kW |
|
게이트-미터 피크 전압 |
- |
다섯GE |
+/- 20 v |
|
DC 전류 전류 |
- |
나에프 |
1200 a |
|
반복적 인 피크 포크.현재의 |
TP = 1ms |
나frm |
2400 a |
|
단열 테스트 전압 |
RMS, F = 50Hz, T = 1 분. |
다섯격리 |
6kV |
|
설명 |
상태 |
상징 |
값 |
|
열 저항, 케이스 교차점 |
트랜지스터 / 트랜지스터, DC 다이오드, 다이오드, DC |
아르 자형thjc |
0.0095 / 0.0180 ° C / W. |
|
열 저항, 히트 싱크의 경우 |
모듈 별 |
아르 자형thck |
0.006 ° C/W. |
|
맥스.정션 온도 |
- |
TJ Max |
150 ° C |
|
작동 온도 |
- |
맨 위 |
-40 ...+125 ° C |
|
저장 온도 |
- |
t stg |
-40 ...+125 ° C |

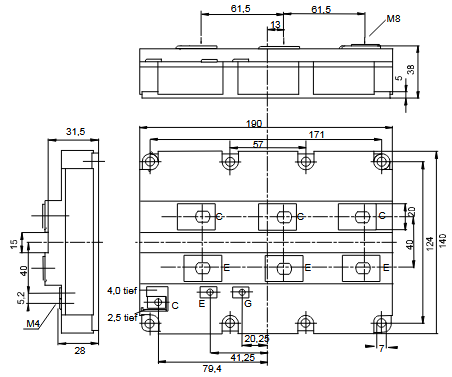
이 도면은
FZ1200R33KF1
IGBT 모듈의 크기와 모양을 보여줍니다.모듈의 길이는 180mm, 폭이 140mm, 높이는 약 38mm입니다.너무 키가 크지 않아 기계의 공간을 절약합니다.
FZ1200R33KF1
EUPEC
IGBT Modules
In Stock: 5400 pcs
그만큼 최고보기 나사 구멍과 전기 연결이 어디에 있는지 보여줍니다.큰 구멍은 M8 나사를 사용하여 모듈을 제자리에 단단히 고정시키고 작은 M4 나사는베이스에 고정하는 데 도움이됩니다.연결 사이의 공간은 단락을 피하고 배선을보다 쉽게 만들 수 있도록 계획됩니다.
그만큼 측면도 모듈의 두께와 커넥터가 튀어 나오는 위치를 보여줍니다.이 모든 측정은 사람들이 모듈을 올바르게 설치하고 냉각판에 잘 맞추고 작업 중에 안전하고 안정적으로 유지하는 데 도움이됩니다.

이 다이어그램은
FZ1200R33KF1
IGBT 모듈의 내부가 어떻게 구축되는지 보여줍니다.3 개의 IGBT 스위치가 있으며 각각 옆에 다이오드가 있습니다."C"는 수집가를 의미하며 "E"는 이미 터를 의미하며 "G"는 게이트를 의미합니다.
FZ1200R33KF1
EUPEC
IGBT Modules
In Stock: 5400 pcs
수집기 (c)는 고전압이 들어오는 곳이며, 이미 터 (e)는 전류가 꺼지는 곳입니다.게이트 (g)는 각 스위치를 켜거나 끄는 데 사용됩니다.다이오드는 전류가 반대 방향으로 흐를 때 모듈을 보호하는 데 도움이됩니다.
점선은 사용할 때 여전히 일부 부품을 외부에 연결해야 함을 보여줍니다.이 디자인을 사용하면 큰 모터 또는 전원 시스템을 안전하고 부드럽게 쉽게 제어 할 수 있습니다.
FZ1200R33KF1
은 강력하고 신뢰할 수있는 전력 제어가 필요한 많은 중형 시스템에서 사용됩니다.
FZ1200R33KF1
EUPEC
IGBT Modules
In Stock: 5400 pcs
인버터-다양한 유형의 산업 기계에 대해 DC를 AC 전력으로 변환하는 데 도움이됩니다.
모터 드라이브-공장 및 산업 장비의 대형 모터를 제어합니다.
트랙션 시스템-기차, 전차 및 전기 버스에 안전하고 효율적으로 전력을 공급합니다.
전원 공급 장치-고출력 설정에서 안정적인 전력 흐름을 지원합니다.
바람과 태양 에너지 시스템-재생 가능 에너지를 관리하는 데 컨버터에 사용됩니다.
용접 기계-무거운 용접 작업을 위해 강력하고 꾸준한 힘을 제공합니다.
|
일반적인 문제 |
솔루션 |
|
과열 |
적절한 방열판을 사용하고 냉각 팬을 정기적으로 점검하십시오. |
|
전압 스파이크 |
보호 회로 또는 서지 보호기를 설치하십시오. |
|
느슨한 연결 |
모든 전기 연결을 정기적으로 확인하고 조입니다. |
|
먼지와 먼지 축적 |
영역을 깨끗하게 유지하고 정기적 인 유지 보수를 예약하십시오. |
|
노화와 마모 |
마모 징후가 표시 될 때 모듈을 교체하십시오. |
|
모델 |
제조업체 |
현재의 |
전압 |
메모 |
|
FZ1200R33HE3 |
인피 논 |
1200 a |
3300 v |
손실이 낮은 디자인 개선. |
|
CM1200HC-66H |
미쓰비시 |
1200 a |
3300 v |
트랙션 및 무거운 인버터에 일반적으로 사용됩니다. |
|
A50L-0001-0337 |
후지 전기 |
1200 a |
3300 v |
철도 및 대형 모터 드라이브에서 널리 사용됩니다. |
|
2MBI1200VN-330-50 |
후지 전기 |
1200 a |
3300 v |
비슷한 성능과 발자국. |
|
1FZ1200R33KF1 |
인피 논 |
1200 a |
3300 v |
FZ1200R33KF1
EUPEC
IGBT Modules
In Stock: 5400 pcs
|
|
특징 |
FZ1200R33KF1
EUPEC
IGBT Modules
In Stock: 5400 pcs
|
FZ1200R33HE3 |
|
제조업체 |
인피온 (EUPEC) |
인피 논 |
|
현재 등급 |
1200 a |
1200 a |
|
전압 등급 |
3300 v |
3300 v |
|
기술 |
표준 IGBT |
향상된 IGBT (저 손실) |
|
스위칭 손실 |
더 높은 |
낮추다 |
|
열 저항 |
기준 |
개선 (더 나은 냉각) |
|
모듈 디자인 |
오래된 디자인 |
최신 최적화 된 디자인 |
|
응용 프로그램 |
일반 중부 |
에너지 효율적인 고성능 시스템 |
|
유효성 |
중단 |
활발한 생산 |
FZ1200R33KF1
은 원래 EUPEC에 의해 제조되었으며 나중에 Infineon Technologies의 일부가되었습니다.오늘날 EUPEC가 Infineon의 전력 반도체 사업에 완전히 통합 된 후 Infineon 브랜드에서 인정 받고 있습니다.이러한 변화는 기술과 지원을 향상시키는 데 도움이되었지만 FZ1200R33KF1 자체는 중단되었으며 현재 잉여 및 2 차 시장 공급 업체를 통해 이용 가능합니다.
FZ1200R33KF1
EUPEC
IGBT Modules
In Stock: 5400 pcs
FZ1200R33KF1
은 고출력 시스템을위한 강력하고 신뢰할 수있는 모듈입니다.좋은 기능과 강력한 성능은 더 이상 생산되지 않더라도 훌륭한 선택입니다.용도, 혜택 및 기타 옵션에 대해 배우면 기계를 더 잘 선택할 수 있습니다.장비가 안전하고 오랫동안 잘 작동하는지 확인하려면 지금 대량으로 주문하십시오.
FZ1200R33KF1
EUPEC
IGBT Modules
In Stock: 5400 pcs
Jul 04
견해: 2788
Jul 03
견해: 4202
IGBT 모듈은 고전압 및 전류를 제어하고 스위치합니다. 모터, 인버터 및 전원 공급 장치와 같은 기계.개선에 도움이됩니다 중장비의 효율성과 에너지 절약.
예, FZ1200R33HE3과 같은 최신 모델로 교체 할 수 있지만 항상 전압, 전류 및 핀 레이아웃의 호환성을 확인하십시오. 작고 보기 어리석은 동물.
제대로 사용하면 FZ1200R33KF1은 수년 동안 지속될 수 있습니다. 10년.적절한 냉각과 정기적 인 유지 보수는 수명을 연장하는 데 도움이됩니다.
모듈은 더 새롭고 효율적으로 방법을 위해 중단되었습니다. 더 나은 기술로 디자인.
모듈이 테스트되었는지 확인하고 판매자 신뢰성을 확인하고 성과를 피하기 위해 보증 또는 반품 옵션이 제공되도록하십시오. 문제.
Apr 29
견해: 214
Apr 29
견해: 236
Apr 29
견해: 193
Apr 28
견해: 229
Apr 24
견해: 538
Apr 23
견해: 574