LM2576
LM2576
BOLE
NS TO-220263
In Stock: 88891 pcs
전압 조절기는 최신 전자 설계에 유용합니다.이 기사는 3A 출력 용량으로 알려진 스텝 다운 스위치 레귤레이터와 현재 제한 및 열 셧다운과 같은 안전 기능의 혁신적인 통합으로 알려진 LM2576의 복잡성을 탐구합니다.다목적 성을 강조하는 레귤레이터는 외부 구성 요소의 필요성을 최소화하여 최대 60V의 입력 전압을 지원하고 회로 통합을 간소화합니다.산업 설정에서 전력에 민감한 휴대용 장치에 이르기까지 다양한 까다로운 응용 분야의 필수 구성 요소 인 적응성 및 고급 보호 측정을 향상 시켰습니다.이 탐색은 또한 기본 기능 및 PIN 구성에서 핵심 구성 요소 및 기술 고려 사항에 이르기까지 LM2576의 작동을 해결하여 효율적인 전원 관리 솔루션에서 효과적인 역할에 대한 포괄적 인 개요를 제공합니다.
목록
그만큼
LM2576
LM2576
BOLE
NS TO-220263
In Stock: 88891 pcs
, Texas Instruments가 제작 한 것은 스텝 다운 스위칭 전압 조절기로서 3A 출력을 전달합니다.안정적인 52kHz 발진기와 정확한 1.23V 참조 조절기가 특징입니다.고전류 애플리케이션을 위해 설계된이 기능에는 전류 제한 및 열 차단을위한 회로가 포함되어있어 안전성 및 신뢰도의 계층을 제공하여 다양한 조건에서 일관된 성능에 대한 욕구를 반영합니다.
이 조절기는 전압 안정화를 단순화하여 외부 구성 요소에 대한 의존도를 줄입니다.현재 제한 및 열 셧다운과 같은 안전 기능은 신뢰성을 향상시킵니다.디자인은 종종 방열판, 공간을 절약하며 다양한 환경에서 실질적인 요구를 충족시키는 것, 즉 단순성과 효율성을위한 모호한 퀘스트를 제거합니다.
LM2576은 강력한 열 관리 및 소형성을 요구하는 전원 공급 장치 설계의 효과를 증명합니다.ON/OFF 컨트롤 핀은 동적 시스템에서 전원 관리에 대한 유연성을 추가합니다.이 적응성은 전통적인 선형 조정기보다 혁신을 선호하는 사람들에게 문제 해결의 창의성을 강조하는 사람들에게 호소합니다.
교체 및 등가물 :
•
CS51411
CS51411
ON
622
In Stock: 1390 pcs
•
LM2575
LM2575
NS
NS TO263220
In Stock: 2612 pcs
•
LM2596
LM2596
BOLE
XINBOLE TO-263-220
In Stock: 88991 pcs
•
LM2940
LM2940
NS
1141
In Stock: 2200 pcs
•
MP2307
MP2307
MPS
1141
In Stock: 2300 pcs
•
LM7805
LM7805
HS
LM7805 HTC TO-220
In Stock: 2390 pcs
간소화 된 회로 통합
LM2576
LM2576
BOLE
NS TO-220263
In Stock: 88891 pcs
전압 레귤레이터는 최소한의 외부 구성 요소가 필요한 설계와 회로 통합을 완화합니다.이를 통해 덜 복잡한 디자인을 허용하여 응용 프로그램 개발 중에 더 빠른 프로토 타이핑과 부드러운 디버깅 프로세스가 생길 수 있습니다.
다양한 전원에 적응성
LM2576은 최대 60V의 입력 전압을 지원함으로써 다양한 전원을 수용하여 다양한 프로젝트에 적합성을 향상시킵니다.이 측면은 변동하는 전력 입력이있는 상황에서 가치가 있으며, 장치의 유연성과 내구성이 뛰어난 특성을 강조합니다.
우수한 효율성
기존 선형 조절기보다 효율성이 높아짐 으로써이 장치는 주목할만한 전력 보존 및 열 생산 감소를 제공합니다.이는 배터리 수명 확장 및 안정된 성능, 특히 휴대용 및 배터리 구동 장치에서 일관성에 대한 기대를 충족시킵니다.
강력한 보호 기능
내장 된 과열 및 단락 보호 기능이 장착 된 LM2576은 다양한 조건에서 신뢰성을 유지합니다.이러한 안전 기능은 극한 상황에서 잠재적 손상을 방지하여 필수 및 섬세한 응용 분야에 대한 보증을 제공합니다.
시스템 내구성에 미치는 영향
고효율과 포괄적 인 보호의 시너지 효과는 장비를 보호 할뿐만 아니라 유지 보수 빈도와 비용을 줄입니다.이러한 특성은 산업 환경에서 선택에 영향을 미치는 시스템 장수 및 신뢰성을 향상시키는 데 기여합니다.

전력 관리에 필요한 부분 인
LM2576
LM2576
BOLE
NS TO-220263
In Stock: 88891 pcs
전압 조절기는 최상의 성능에 필요한 세 심하게 배열 된 핀 구성을 자랑합니다.각 핀의 기능을 파악하면 전자 시스템의 효율성과 신뢰성이 크게 향상 될 수 있습니다.
VIN : 입력 전압
이 핀은 레귤레이터 기능의 들어오는 전압을 허용합니다.잘 선택된 커패시터를 추가하면 입력 전압 변동을 완화하여 안정성과 내구성을 향상시킬 수 있습니다.ESR이 낮기 때문에 세라믹 커패시터를 제안하여 잠재적 인 전압 서지를 능숙하게 줄일 수 있습니다.
출력 : 조절 된 전압 출력
이 핀은 정상적이고 조절 된 전압 출력을 제공합니다.출력 커패시터의 선택은 시스템 효율을 유지하는 데 상당한 요소 인 전압 리플을 최소화하는 데 중요한 역할을합니다.낮은 리플을 달성하는 데는 일반적으로 수년간의 경험과 실용적인 테스트로 인해 사려 깊은 출력 필터 설계가 포함됩니다.
접지 : 시스템 접지 연결
이 핀은 회로 전체의 전압 기준점 역할을하며 정확한 규제에 필요한 역할을합니다.지면 루프 최소화와 같은 효과적인 접지 방법은 잠재적 노이즈 간섭을 피하는 데 도움이됩니다. 광범위한 회로 문제 해결에서 배운 교훈.
피드백 : 전압 조절 참조
피드백 핀은 출력 전압이 설정된 기준 전압과 대조하여 조절되는 상태로 유지됩니다.정확한 피드백과 안정적인 성능을 보장하기 위해 정밀 저항기는 일반적 으로이 경로에 관여합니다.공차가 높은 저항을 사용하면 다양한 조건에서 안정성이 현저하게 향상됩니다.
ON/OFF : 활성화
온/오프 핀은 레귤레이터의 활성화 상태를 관리합니다.이 핀을 사용하여 전원을 보존하여 불필요한 경우 레귤레이터를 비활성화하십시오.이러한 이해는 에너지 효율이 점점 더 설계 고려해야함에 따라 널리 받아 들여지고 있습니다.
핵심 구성 요소
LM2576
LM2576
BOLE
NS TO-220263
In Stock: 88891 pcs
전압 조절기는 인덕터, 다이오드 및 스위칭 트랜지스터의 몇 가지 필요한 요소를 통합합니다.정교한 컨트롤러는 이러한 부분을 조화시켜 효율적인 전압 조절을 보장하기 위해 조화를 이룹니다.
기능 및 작동
주로 조절기는 고주파 펄스 전류를 안정적인 전압 출력으로 변환합니다.복잡한 전자기장 조정을 통해 일관된 전압 레벨을 유지합니다.컨트롤러는 트랜지스터의 온 오프 사이클을 변조하여 미묘한 정밀도로 듀티 사이클 변경에 동적으로 적응합니다.
인덕터 및 다이오드 역학
인덕터는 스위치가 활성화 될 때 에너지를 저장하고 비활성 상태에서 방출되어 전류 흐름을 부드럽게합니다.다이오드는 전류를 올바르게 지시하고 부품에 해를 끼칠 수있는 역 흐름을 방지하여 프로세스를 보호합니다.이 상호 작용은 규제 기관의 효과를 유도합니다.
컨트롤러 및 스위칭 메커니즘
LM2576의 컨트롤러는 부하 요구를 평가하여 스위칭 메커니즘을 조정하여 일치합니다.트랜지스터를 신속하게 전환함으로써로드 시프트에 대한 반응이 유지되어 안정적인 전압 출력을 보장합니다.이 민첩성은 성능과 신뢰성을 모두 향상시켜 가변 조건에서 안정성을 촉진합니다.
효율적인 구성 요소 설계 및 레이아웃은 특히 열 성능을 향상시키면서 전자기 간섭을 줄일 수 있습니다.신중하게 포지셔닝 구성 요소는 열 소산을 최적화하여 광범위한 테스트 및 반복 개선에서 지식을 도출하는 데 도움이됩니다.
여행은 입력 전압이
LM2576
LM2576
BOLE
NS TO-220263
In Stock: 88891 pcs
의 지정된 범위 내에 있는지 평가하는 것으로 시작합니다.이 단계는 극한의 전압으로 인한 잠재적 손상을 방지하여 보호 기능을 조화시킵니다.실제 응용 분야에서 정기적 인 검사는 위험을 줄이고 시스템의 신뢰성을 높입니다.
LM2576의 기능의 중심은 PWM (Pulse Width 변조) 기술을 적용하여 전압을 효율적으로 변환하는 것입니다.PWM은 복잡하게 스위칭 지속 시간을 미세 조정 출력 레벨에 따라 다릅니다.광범위한 사용은 에너지 전환의 능력과 통제의 정밀성에 기인합니다.
전압 조절기 회로의 필수 요소는 출력 전압을 평활화하는 데 필요한 인덕터입니다.에너지를 신중하게 유지하고 방출함으로써 전압 리플을 줄여 연속적이고 안정적인 출력을 보장합니다.실제 경험은 특정 요구에 맞는 적절한 유도 성분을 선택할 수 있습니다.
출력 전압을 표적 레벨로 유지하려면 피드백 루프가 사용됩니다.이 메커니즘은 출력을 지속적으로 모니터링하여 스위치 튜브의 전도 시간을 조정합니다.교대에 대한 적응성은 세심한 제어를 보장하며, 이는 다양한 전자 설계에 성공적으로 통합되어 성능을 높이는 개념입니다.
PWM의 효과와 결합 된 피드백 루프에 의한 중재는 원하는 출력을 달성하기 위해 필요합니다.유사한 환경의 경험적 증거를 기반으로 이러한 변수를 개선하면 성능을 향상시킬뿐만 아니라 규제 기관의 수명을 연장시켜 이론과 실천 사이의 조화를 강조합니다.

입력 전압 범위
입력 전압 범위는 레귤레이터의 다양한 전원에 대한 적응성을 측정하는 방법을 제공합니다.이 범위를 인식하면 최적의 성능을 촉진하면서 잠재적 손상을 방지 할 수 있습니다.이 매개 변수 내에서 전원을 선택하면 섬세한 전자 구성 요소의 안정성을 지원하여 일관된 전원 전달이 가능합니다.
출력 전압 및 전류
출력 전압 및 현재 사양은 특정 응용 프로그램의 요구를 해결하는 데 중요한 역할을합니다.효과적인 전력 관리에는 정확한 조정이 필요합니다.부하 요구 사항을 이러한 매개 변수와 정렬하여 시스템은 놀라운 효율성과 신뢰성을 달성 할 수 있습니다.
전환 주파수
스위칭 주파수는 외부 구성 요소의 효율성과 발자국을 결정하는 데 중요한 역할을합니다.특정 설계 목표를 달성하기 위해 이러한 측면을 신중하게 균형을 유지하십시오.더 높은 주파수는 더 작은 인덕터를 허용 할 수 있지만 설계를 복잡하게 할 수 있습니다.이 고려 사항은 소형 장치에서와 같은 공간 제한을 처리 할 때 필요합니다.
열 관리
열을 관리하면 일관된 조절기 기능을 보장하고 수명을 연장 할 수 있습니다.방열판 통합 및 적절한 공기 흐름 보장과 같은 기술이 필요합니다.이러한 전략은 안전한 온도 임계 값 내에서 작동을 유지하여 열 셧다운 또는 고장을 피합니다.
효율성 고려 사항
효율성은 전반적인 장치 기능에 영향을 미쳐 에너지 사용에 영향을 미칩니다.모니터링 및 미세 조정은 에너지를 절약 할 수 있습니다.저 손실 구성 요소를 사용하고 회로 레이아웃을 최적화하는 것은 효율성을 높이기위한 표준 접근법입니다.이러한 전략은 에너지 절약이 높은 중요성을 가진 배터리 구동 장치에서 유리합니다.
각 매개 변수는 다양한 기술 작업에 대한 역할을 조정하여
LM2576
LM2576
BOLE
NS TO-220263
In Stock: 88891 pcs
이 얼마나 효과적으로 작동하는지 형성합니다.이러한 요소들을 포괄적으로 이해하면 뚜렷한 기술 및 운영 포부와 일치하는 전원 공급 장치 전략의 신중한 설계 및 구현이 가능합니다.
Schottky Diodes
Schottky Diodes는 신속한 스위칭 능력과 최소 전압 강하로 유명하며
LM2576
LM2576
BOLE
NS TO-220263
In Stock: 88891 pcs
의 전력 변환 효율을 향상시키는 기능입니다.그들은 빠른 변화를 적절하게 관리하여 에너지 손실을 줄이고 시스템 효율성을 높입니다.성능을 지속하려면 올바른 전류 등급 및 열 관리를 가진 다이오드를 선택해야하며, 종종 사려 깊은 열 설계와 세심한 구성 요소 검증이 필요합니다.
인덕터 선택
인덕터는 LM2576의 출력 전류 용량을 정의하고 연속 및 불연속 모드에서 작동합니다.선택은 효율성뿐만 아니라 현재의 잔물결 및 전자기 간섭에도 영향을 미칩니다.안정성과 효율성을 보장하기 위해 다양한 운영 상황에서의 평가를 통해 핵심 재료, 채도 전류 및 물리적 크기와 같은 요인을 고려해야합니다.
낮은 ESR 커패시터의 중요성
입력 전압 리플을 최소화하고 꾸준한 전력 전달을 보장하기 위해 알루미늄 또는 탄탈륨과 같은 낮은 ESR 커패시터가 선호됩니다.세라믹 커패시터는 고주파 공명과 노이즈를 증가시킬 수 있지만 ESR 값을 조정하면 이러한 효과에 대응하여 효과적인 입력 우회 및 손실 최소화를 보장 할 수 있습니다.
출력 커패시터 안정성 보장
출력 커패시터는 루프 안정성 및 전압 변동 감소에 역할을합니다.ESR의 균형은 불안정성을 피하는 데 도움이 될 수 있습니다.탄탈 룸 또는 전해와 같은 다양한 커패시터 유형을 세라믹과 결합하면 다양한 하중 및 조건에서 성능을 향상시킬 수 있습니다.반복 테스트 및 미세 조정은 특정 응용 프로그램 요구를 충족하는 것이 좋습니다.
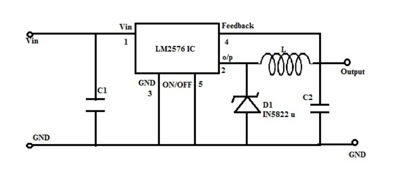
이 그림은
LM2576
LM2576
BOLE
NS TO-220263
In Stock: 88891 pcs
, IN5822 다이오드 및 커패시터와 같은 요소를 사용하는 5V, 3A 스위칭 조절기에 적합한 구성을 강조합니다.Digital Power Applications에 맞게 맞춤화 된 자동차 부문에 대한 적합성은 7V ~ 40V의 입력 범위를 처리하는 능력에 있습니다.이 설정은 1.23V에서 37V의 적응 형 출력 레벨을 제공하는 반면, 설계는 전략적으로 열 생산을 제한합니다.

LM2576 전압 조절기
이 회로의 중심 요소로서 LM2576은 신뢰성과 효율적인 스위칭으로 유명합니다.최소한의 전력 손실로 원활한 전압 조절을 제공합니다.이 구조는 다양한 전압 요구를 우아하게 수용하여 다양한 장치에서 안정적인 성능을 지원합니다.
in5822 다이오드
이 다이오드는 역류 흐름을 차단하여 보호 역할을하며, 이는 전기 조건이 다양한 속도로 회로의 무결성을 유지합니다.낮은 전방 전압 강하에 선호되는 종종 시스템의 효율성을 향상시킵니다.
커패시터
커패시터는 출력 전압을 안정화하고 전압 스파이크를 줄이기위한이 설정에서 중요한 역할을합니다.이 안정화는 자동차 시스템과 같은 전력 입력이 일관되지 않은 환경에서 유리합니다.
1. LM2576 전류 레귤레이터는 무엇입니까?
LM2576은 정교한 모 놀리 식 IC로, 스텝 다운 (BUC) 조절기를 위해 제작되었습니다.3A 전류를 지원하여 다양한 용도에 걸쳐 꾸준한 전압 조절과 효율성을 보여줍니다.
2. LM2576의 사용은 무엇입니까?
LM2576은 주로 벅 스위칭 레귤레이터의 핵심 구성 요소 역할을합니다.효과적으로 최대 3A로드를 처리하여 규제 정확도를 유지합니다.경험은 전력에 민감한 설정에서 탄력성을 보여주었습니다.
3. LM2596과 LM2576의 차이점은 무엇입니까?
LM2596은 LM2576에 비해 더 높은 작동 주파수를 제공하여 더 작은 인덕터 및 커패시터를 사용할 수 있습니다.또한 전력 효율에 중점을 둔 설계에 유리한 저전력 유휴 모드가 포함되어 있습니다.
4. LM2576을 사용하는 전원 공급 장치는 무엇입니까?
조정 가능한 변형 LM2576-ADJ는 최대 40V의 입력 전압을 관리 할 수 있습니다.입력 전압 레벨을 정확하게 관리하여 앰프와 같은 응용 프로그램에 적합한 회로 안정성을 유지하는 데 필요한 역할을합니다.
5. LM2576은 어떻게 작동합니까?
벅 컨버터로서 LM2576은 선형 조절기에 대한 전제 조절기 역할을합니다.회로의 전압 감소를 능숙하게 처리하여 효율적인 에너지 변환을 보장하며 일관된 전압 출력을 요구하는 상황에서 효과적입니다.
이 게시물을 공유하십시오