TDA7293 오디오 전원 증폭기 안내서
TDA7293 앰프는 고 충실도 오디오 애플리케이션을 위해 세 심하게 설계된 단일 칩 통합 회로입니다.이 포괄적 인 기사는 가능한 대체품, 자세한 핀아웃 구성, 독...
Oct 04
견해: 8946
CMOS Logic IC 제품군의 저명한 멤버 인
74HC00
은 4 개의 NAND 게이트를 하나의 패키지에 통합하여 실리콘 게이트 기술을 활용하여 LS-TTL 작동 속도와 일치하는 전력 소비량이 낮습니다.정전기 방전 보호를위한 최대 10 개의 LS-TTL 하중 및 내부 다이오드 클램핑을 구동하는 능력에 의해 보강 된 속도 및 효율의 혼합은 74HC00을 디지털 회로 설계에서 다재다능하고 신뢰할 수있는 구성 요소로 배치합니다.향상된 소음 면역 및 여러 산업 표준 등가와의 호환성에 대한 완충 출력에 감사 할 수 있으므로 혁신적이고 강력한 디지털 시스템을 만드는 데 초석이됩니다.
74HC00
RENESAS
74HC00 ST SOP
In Stock: 6124 pcs

그만큼
74HC00
, 4 개의 NAND 게이트를 통합하는 것은 LS-TTL 패밀리와의 정렬로 유명합니다.
74HC00
RENESAS
74HC00 ST SOP
In Stock: 6124 pcs
실리콘 게이트 CMOS 기술을 사용하여 LS-TTL과 비슷한 운영 속도를 달성하면서 저전력 소비에 중점을두고 있습니다.이 균형을 통해 속도와 효율성을 모두 활용하여 독창성과 공명하는 설계를 육성 할 수 있습니다.완충 게이트 출력은 신호 환경에 도전하는 안정적인 성능에 기여하는 요소 인 노이즈 면역력을 향상시킵니다.
최대 10 개의 LS-TTL로드를 구동하는 기능은 수많은 신호 출력이 필요한 시스템에 적합합니다.
내부 다이오드 클램핑이 장착되어있어 정전기 방전과 관련된 위험을 최소화합니다.이 기능은 구성 요소 수명을 확장하는 데있어 역할을 강조하며 장기 신뢰성을 추구하는 데 대한 지혜를 미묘하게 반영합니다.
교체 및 등가물 :
•
CD4011
CD4011
I-CORE
701
In Stock: 25220 pcs
• MC54HC00AJD
• SN54LS00
• SN74HCT00DTE4
•
74HCT00
74HCT00
TI
74HCT00 ST SOP14
In Stock: 2870 pcs

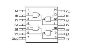
• 핀 1, 2, 4, 5, 9, 10, 12, 13 : 데이터 입력
이 핀은 칩 내부의 NAND 게이트의 논리 작업을 안내하는 입력 신호를 받도록 제작되었습니다.이러한 입력에 방해가되지 않도록하는 것은 신뢰할 수있는 회로 동작을 촉진하여 제어 및 예측 가능성을 반영합니다.
• 핀 3, 6, 8, 11 : 데이터 출력
이 핀은 출력으로 작용하여 NAND 게이트 계산 결과를 전달합니다.복잡한 논리 패턴을 함께 직조하면서 다양한 디지털 논리 구성에 사용될 수 있습니다.다중 회로가 단일 출력에 연결되면 잠재적 로딩 효과는 복잡한 관계에 필요한 섬세한 균형을 암시합니다.
• 핀 7 :지면 (GND)
이 핀은 시스템 접지에 연결되어 전압에 대한 꾸준한 기준점을 제공합니다.이러한 안정적인 연결을 확립하면 접지 및 명확성을 자연스럽게 추구하여 교란을 최소화합니다.
• PIN 14 : 포지티브 전원 공급 장치 (VCC)
이 핀을 통해 올바른 전압을 공급하면 장치의 성능이 지원됩니다.지정된 범위 내에서 유지하면 수명과 효율성이 향상되면 파워 핀 근처에 디 커플 링 커패시터를 배치하면 작동을 실질적으로 안정화시켜 삶의 복잡성을 관리하기위한 전략을 반영 할 수 있습니다.
74HC00
은 전력 효율에 중점을 둔 4 개의 독립적 인 NAND 게이트로 설계되어 디지털 회로의 신뢰할 수있는 성능으로 당신을 끌어들입니다.인상적인 소음 면역은 안정적인 응용 분야에 기여하여 많은 사람들이 일관성을 우선시하는 프로젝트에 호소력이 있습니다.DIP 및 SOIC 형식으로 제공되는 다양한 디자인 요구 사항을 충족하며 유연한 PCB 레이아웃 옵션을 제공합니다.
74HC00
RENESAS
74HC00 ST SOP
In Stock: 6124 pcs
74HC00의 적응성을 사용하면 광범위한 논리 게이트 구성 및 복잡한 시스템에 적합 할 수 있습니다.강력한 입력/출력 주행 능력을 평가하여 복잡한 디지털 기능을 제작하는 데 유용 할 수 있습니다.
다양한 조건에서 운영 할 수있는 능력은 74HC00이 교육 및 프로토 타입 개발에서 인기를 얻습니다.회로 복잡성 증가에 적응하는 용이성은 성능을 희생하지 않고 새로운 혁신을 탐구하도록 영감을줍니다.
Texas Instruments는 신뢰할 수 있고 획기적인 반도체 제품을 만들기위한 헌신으로 명성을 얻었습니다.Texas Instruments의 구성 요소는 내구성과 우수한 성능에 대한 확고한 초점으로 수많은 응용 분야의 핵심을 발견하여 전자 산업에서 효과적인 역할을 보여줍니다.
8.65mm x 3.91mm x 1.58mm 측정 인
74HC00
은 컴팩트 한 환경에 맞게 강력한 디자인을 자랑합니다.이러한 차원은 다양한 회로 보드 레이아웃으로의 통합을 단순화하여 장치의 놀라운 기능을 손상시키지 않으면 서 제한된 공간을 최대한 활용할 수 있습니다.
74HC00
RENESAS
74HC00 ST SOP
In Stock: 6124 pcs
공급 전압은 2V ~ 6V에 걸쳐있어 전원을 선택하고 광범위한 디지털 회로와의 호환성을 보장합니다.이 전압 범위는 다목적 응용 프로그램을 지원하므로 74HC00이 동적 환경에서 변화하는 요구에 적합하게 조정할 수 있습니다.
-40 ° C와 85 ° C 사이에서 효과적으로 작동하는이 장치는 다양한 기후와 산업 조건에서 번성하도록 설계되었습니다.온도 극도에 대한 저항은 환경 변동성이 주어진 소비자 전자 및 산업 응용 분야에 선호되는 선택입니다.
23 나노초의 전파 지연을 제공하는 74HC00은 고속 로직 함수에 필요한 처리 효율에 탁월합니다.이 신속한 성능은 빠른 데이터 교환이 필요한 디지털 신호 제어 및 통신 시스템과 같은 애플리케이션에 유리합니다.
이 장치에는 NAND 논리 작업을위한 4 개의 게이트가 포함되어 복잡한 논리 설계에 대한 실질적인 기능을 제공합니다.이 구성은 논리적 작업을 효율적으로 실행 해야하는 경우 유리하고 시스템 내에서 신속하고 신뢰할 수있는 처리를 보장합니다.
논리 게이트로 기능하는 74HC00은 디지털 회로 생성의 주요 구성 요소 역할을합니다.이러한 요소를 사용하여 복잡한 디지털 시스템을 구성하여 계산 능력을 향상시키고 혁신적인 방식으로 처리 기능을 발전시킬 수 있습니다.
74HC00
은 4 개의 개별 NAND 게이트를 통합하며 각각 2 개의 입력으로 단일 출력으로 이어집니다.작업은 상세한 진실 테이블에 따라 다릅니다.구체적으로, 출력은 두 입력이 높은 경우에만 낮게 떨어집니다.그렇지 않으면 출력은 디지털 로직 설계의 주요 요소 인 높은 상태로 유지되며, 더 복잡한 회로를 제작하는 데있어 핵심 구성 요소 역할을합니다.
74HC00
RENESAS
74HC00 ST SOP
In Stock: 6124 pcs
긍정적 인 피드백은 이러한 게이트의 안정성에 미묘하게 영향을 미칩니다.각 게이트가 입력을 처리함에 따라 피드백은 안정적인 출력 상태를 강화하여 일관된 성능을 촉진합니다.이 평형은 입력 값과 게이트의 반응을 조화시켜 도달합니다.이 측면을 활용하여 신뢰할 수있는 논리 상태를 요구하는 회로를 위조하여 보장 된 예측 가능성의 층을 발견 할 수 있습니다.
NAND 게이트 내에서 입력 출력 역학의 미묘함을 파악하면 간소화 된 회로 설계의 가능성이 향상됩니다.일반적인 응용 프로그램에는 플립 플롭 구성 및 작업이 아닌 OR과 같은 논리 작업을 실행하는 것이 포함됩니다.이 다양성은 간단한 제어 메커니즘에서 정교한 계산 프레임 워크에 이르기까지 다양한 컨텍스트에 대한 채택을 강조합니다.
74HC00의 더 넓은 유용성을 반영하여 신뢰할 수있는 성능은 소비자 전자 장치에 걸쳐 산업 자동화에 대한 분야와 관련이 있습니다.다양한 논리적 프레임 워크로 이러한 문을 정리할 수있는 힘은 실질적인 창의적 자유를 부여하여 혁신을 장려합니다.Nand Gates의 주요 원칙은 독특한 기술 장애물을위한 맞춤형 솔루션을 고무시킵니다.
74HC00
은 절묘한 정밀도로 설계된 4 배의 2 입력 NAND 게이트입니다.그것은 실용성과 기술적 정교함의 조화로운 조화를 구현합니다.
74HC00
RENESAS
74HC00 ST SOP
In Stock: 6124 pcs
• 넓은 전압 범위에서 작동합니다
• 빠른 전파 지연을 표시합니다
• 고속 및 저전력 운영에 적합합니다
• 전압 및 전류 :이 구성 요소는 폭이 넓은 전압 레벨에서 기능하여 다양한 설계 요구를 수용합니다.
• 온도 범위 : 다양한 온도 설정에서 안정적으로 수행하여 다양한 환경 조건에 적응성이 가능합니다.
• 일반적인 용도 : 다재다능한 구성 요소 인이 제품은 무수한 디지털 회로의 자리를 찾아 일상적인 작업에서부터 Grace가있는 복잡한 응용 프로그램에 이르기까지 요구됩니다.
• 구체적인 구현 : 소비자 전자 장치에서 산업 메커니즘에 이르기까지 74HC00은 매끄럽게 통합하여 각 응용 프로그램에서 유용성을 나타냅니다.
74HC00
칩은 광범위한 기능 덕분에 다양한 전자 맥락에서 종종 나타나는 놀라운 적응성을 나타냅니다.
74HC00
RENESAS
74HC00 ST SOP
In Stock: 6124 pcs
74HC00은 버퍼 또는 드라이버로서 기능하여 회로 전체의 원활한 연결성을 촉진합니다.전압 방울을 최소화하고 신호 분해를 줄임으로써 구성 요소간에 일관된 통신을 설정합니다.실습 전자 장치에서 74HC00을 버퍼로 사용하면 DIY 프로젝트에서 빈번한 기능인 여러 LED 또는 릴레이 모듈을 활성화하는 마이크로 컨트롤러의 용량을 강화할 수 있습니다.
이 칩을 사용하면 NAND 게이트와 같은 논리 작업이 복잡한 시스템의 핵심을 형성 할 수 있습니다.다양한 논리 회로에 쉽게 통합되어 유용성을 강조합니다.디지털 디자인에서 NAND 게이트를 활용하면 구성 요소가 적은 정교한 논리 회로를 구성하여 경제성과 소형을 모두 향상시킬 수 있습니다.
임베디드 시스템 내에서 74HC00은 마이크로 컨트롤러 이니셔티브에 로직 기능을 임베딩하여 작업 실행을 간소화합니다.
수많은 IoT 장치는이 칩을 사용하여 조건부 검사를 실행하고 주변 장치 장치를 관리하여 시스템 응답 성 및 신뢰성을 높입니다.
74HC00은 레벨 변환에 효과적인 역할을하며 다른 회로간에 신호 레벨을 조정합니다.이는 다양한 전압 등급으로 구성 요소의 부드러운 인터페이스를 용이하게합니다.5V 마이크로 컨트롤러를 3.3V 센서에 연결하는 것과 같은 혼합 전압 상황에서 74HC00은 분할을 완벽하게 연결하여 정확한 데이터 공유를 보장합니다.
이 칩은 또한 타이밍 및 제어 회로의 특징이며, 순차적 논리 작업의 세심한 조정을 돕고 지연 라인 회로 및 펄스 생성과 같은 응용 프로그램을 향상시킵니다.74HC00의 정제 타이밍 회로는 동기식 통신 시스템과 같은 작업의 정밀성을 향상 시키며 세심한 시간 관리를 통해 데이터 충실도를 보호합니다.
74HC00은 이진 비교를위한 디지털 비교기 역할을하며 디지털 프레임 워크 내 의사 결정에 이상적입니다.이진 그림 사이의 평등이나 변화를 분별합니다.이진 비교를 위해 74HC00을 사용하면 다양한 디지털 프로토콜에서 분기 결정을 구현하여 활동의 시스템 성능을 강화하는 효율적인 경로를 제공합니다.
74HC00은 4 개의 독립적 인 2 입력 NAND 게이트를 통합하여 2.0V ~ 6.0V의 전력 범위 내에서 작동합니다.디지털 로직 시스템에 서비스를 제공하면 복잡한 디지털 아키텍처의 중추를 형성하는 논리 작업을 형성 할 수 있습니다.
74LS00은 4 개의 NAND 게이트 세트로 구성되며 각각 2 개의 입력과 단일 출력으로 설계되었습니다.이 구성은 디지털 전자 장치에서 장치를 개발할 때 일반적인 선택입니다.
주요 차이점은 전압 적응성입니다.74HC00은 2V ~ 6V 범위 내에서 작동하는 반면 74LS00은 5V 전원 공급 장치로 제한됩니다.선택은 종종 응용 프로그램 요구와 환경 적 요인의 변형에 달려 있습니다.
74HC 시리즈는 고속 CMOS 통합 회로를 특징으로하며 전력 소비 감소로 TTL 호환 속도를 제공합니다.74LS 시리즈의 핀 레이아웃과의 호환성은 기존 회로에서 쉽게 통합 및 교체 할 수 있습니다.
디지털 회로에서 74HC00은 신호 역전 및 복잡한 논리 동작을 실행하기 위해 NAND 논리 게이트가 필요한 도구입니다.그것의 적응성은 교육적 맥락과 전문 전자 벤처에서 귀중한 자산이됩니다.
Apr 16
견해: 451
Apr 16
견해: 407
Apr 16
견해: 347
Apr 16
견해: 367
Apr 15
견해: 491
Apr 15
견해: 456